スターターダイナモの故障と調整法                
1.スターターが回らない時

  A.バッテリーの能力は大丈夫か? 無負荷電圧 12V以上、比重 1.20 以上有ること。 
  B.スタータースイッチを押して、レギュレター内部で「カチッ」と音がするか調べる。
    音のしないとき −− バッテリ〜ヒューズ〜メインスイッチ〜スタータースイッチ
                           〜レギュレターの間のいずれかが不良。何処まで電圧が来て
               いるかテスターでしらべる。 特にヒューズが切れていない
               か点検する。
    音が出れば −−−− 電磁スイッチは作動しているので、バッテリー端子、
               電磁スイッチの接点の接触不良、コード接続部の緩み、
               ダイナモの接続部、ブラシの不良、フィールドコイルの
               断線等が原因。      
           
2.無負荷電圧測定法
   充電系統に異常があると考えられる時、真っ先に測定すべきところが ダイナモ 〜
   レギュレター系の無負荷電圧である。
   無負荷電圧とは、充電電流を流さない時のダイナモの発電電圧である。
   この電圧は、ダイナモの良否判定には簡便で、正確な方法であるため広く使われる。
   測定は、以下のように行う。

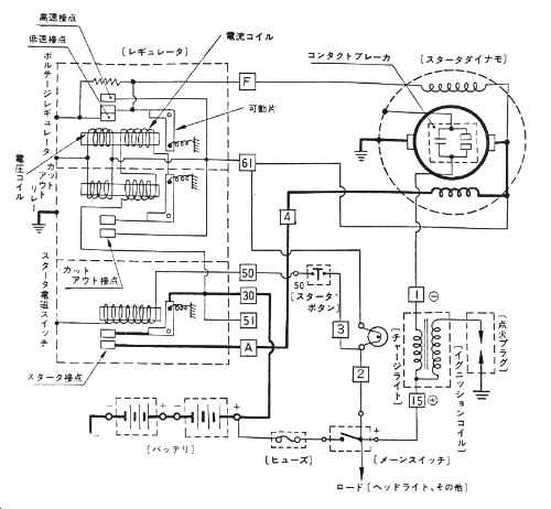
  A.レギュレターの (51)番端子のコードを外す。
    外された(51)番コード及び隣接している(30)番端子には常にバッテリー電圧
    がかかっているのでショートさせないように注意する。
    外した(51)番コードもテープで保護し、ショートしないようにする。
   B.直流の 30V が測定出来る電圧計を準備し、レギュレターの(51)番端子に
   (+)線を接続、(−)側は、車体のネジに接続する。
  C.エンジンをかけ、回転を徐々に上げていく。カットインから高速までの範囲で
   電圧が 15V 〜 16V で有れば正常。
   エンジン回転数 2000 と 5000(全回転)の2点で測定する。
   電圧が正常でないときの調整はレギュレターで行う。

  注:充電電流で測定する方法もあるが、バッテリーの古さにより差が出るので
    電圧方法が適している。

3.充電回路故障の調査方法 
   発生電圧が 零 または、異常に高い場合、原因がダイナモに有るのか、
   レギュレターに有るのかの判別方法は次により行う。

  A.無負荷電圧が 零 または 零 に近い時
   チャージランプが消えないと云うのがこの時。

   * レギュレターの (F)端子の接続コードを外す。(黄色のコードで差込接続)
    このコードは、ダイナモの界磁(フィールド)コイルにつながっている。
   * 外したコードのダイナモ側のコード(黄色)を直接車体にアースして、
     エンジンをかけ、(51)端子、または(61)端子とアース間の電圧を測る。
    エンジンの回転は徐々に上げること。
     電圧が急上昇すれば −−− ダイナモ正常(レギュレターの不良)
     相変わらず電圧 零  −−− ダイナモ不良          

       レギュレター不良の場合は、
         電圧調整リレーの可動ポイントの高速接点側への溶着、
         低速接点への接触不良、
       ダイナモ不良の場合は
         フィールドコイルの断線、アーマチュアコイルの断線、短絡、
         ブラシの摩耗、または当たり面の不良、
       が考えられる。

  B.無負荷電圧が異常に高い場合
   一度消えたチャージランプが高速で再び点灯する様な場合がこの時。

   * レギュレターの(F)端子コードを外す。(黄色のコードで差込接続)
   * 外したコードを何処にも接続せずに離したままにしておく、
   * エンジンをかけ、(61)端子とアース間の電圧を測定する。
    (この時は界磁コイルに電流を全く流さない状態として測定している。)

     電圧が異常に高ければ −−− ダイナモの不良
     電圧が 零 になれば  −−− ダイナモは正常(レギュレター不良)

       レギュレター不良の場合は、
         電圧調整リレーの可動ポイントの低速接点側への溶着。 
         高速接点の接触不良、接点間隔不良。
       ダイナモ不良の場合は、
         フィールドコイルのダイナモ内でのアース。
       が考えられる。
    C.レギュレターの調整